氣動O型切斷球閥
一、簡介說明:
ZSHO系列氣動O型切斷球閥的球芯采用O型通孔,固定球式閥門閥座采用彈性補償閥前密封,雙保護蓋式填料函裝置,保護閥桿在壓力下不致脫出,閥內腔能自動泄壓,防止閥腔內產生非正常高壓,可設置防靜電防火結構,閥門的流量系數大,流阻小,角行程啟閉迅速。“O”型切斷球閥采用氣缸活塞式氣動執行機構或電動執行機構,“O”型切斷球閥的球形表面采用特殊工藝進行硬化處理,使其表面平滑耐磨,閥座及密封材料采用耐高溫﹑耐磨損的碳纖維材料制成,產品結構精巧合理,該系列切斷球閥有氣動活塞式“O”型切斷球閥和電動“O”型切斷球閥兩種;該系列產品公稱壓力等級PN(Mpa)1.6﹑4.0﹑6.4;閥體公稱通徑范圍DN(mm)15~300;泄漏量標準有Ⅳ級﹑Ⅵ級;閥芯轉角90℃,
二、廣泛應用:
ZSHO系列氣動O型切斷球閥是一種旋轉型切斷球閥,為氣動或電動單元件組合儀表中的執行單元,一般與電磁閥等元件組合使用。密封形式有軟密封與硬密封兩種,分別在-40℃~180℃與-60℃~450℃工況下使用。氣動O型切斷球閥傳動效率高﹑推力大﹑密封性能好,額定流量系數大﹑零件互換性好等特點。系列產品被廣泛應用于石油﹑化工﹑制藥﹑冶金﹑輕紡﹑造紙﹑污水處理等生產部門的氣體﹑液體輸送管道中介質的切斷或開啟,滿足工況要求。
三、氣動O型切斷球閥的主要特點:
1、流體阻力小、球閥是所有閥類中流體阻力***小的一種,即使是縮徑球閥,其流體阻力也相當小。
2、止推軸承減小閥桿磨擦力矩,可使閥桿長期操作平穩靈活。
3、閥座密封性能好,采用聚四氟乙烯等彈性材料制成的密封圈,結構易于密封,而且球閥的閥封能力隨著介質壓力的增高而增大。
4、閥桿密封可靠,由于閥桿只作彷轉動運而不做升降運動,閥桿的填料密封不易破壞,且密封能力隨著介質的壓力增高而增大。
5、由于聚四氟乙烯等材料具有良好的自潤滑性,與球體的磨擦損失小,故球閥的使用壽命長。
6、下裝式閥桿和閥桿頭部凸階防止閥桿噴出,如火災造成閥桿密封破壞,凸階與閥體間還可形成金屬接觸,確保閥桿密封。
7、防靜電功能:在球體、閥桿、閥體之間設置彈簧,能將開關過程產生的靜電導出。
四、主要零件常用材料:
1、閥體:ZG230-450,ZG1CR18NI9TI;
2、球體:ZG1CR18NI9TI;
3、閥座:1CR18NI9TI;
4、閥桿:1CR18NI9TI,3CR13;
5、軸套:2CR13;
6、密封圈:增強聚四氟乙烯,1CR18NI9TI,1CR18NI9TI堆焊司鈦萊合金;
7、墊片:橡膠石棉板:1CR18NI9TI,石棉纏繞墊片;
8、填料:聚四氟乙烯:柔性石墨;
9、導向套:QAL9-4,0CR18NI9,復合材料;
10、附件系列:定位器、空氣過濾減壓器、閥位變送器、限位開關、手輪機構 、電動執行器。
五、氣動O型切斷球閥的執行機構:
采用新型系列GT型氣動執行器,有雙作用式和單作用式(彈簧復位),齒輪齒條傳動,安全可靠;大口徑閥門采用系列AW型氣動執行器拔叉式傳動,結構合理,輸出扭矩大,有雙作用式和單作用式。
1、齒輪式雙活塞,輸出力矩大,體積小。
2、氣缸選用鋁金材料,重量輕、外形美觀。
3、可在頂部、底部安裝手動操作機構。
4、齒條式連接可調節開啟角度、額定流量。
5、執行器可選帶電訊號反饋指示及各類附件以實現自動化操作。
6、IS05211標準連接為產品的安裝更換提供了方便。
7、兩端調的節螺釘可使標準產品在0°和90°有±4°的可調范圍。確保與閥門的同步精度。
附件的選項 :
1、切斷型附件:單電控電磁閥、雙電控電磁閥、限位開關回訊器。
2、調節型附件:電氣定位器、氣動定位器、電氣轉換器。
3、氣源處理附件:空氣過濾減壓閥、氣源處理三聯件。
4、手動機構:手操機構
六、執行標準:
1、設計與制造:GB12237-89、API608、API 6D、JPI 7S-48、BS5351、DIN3357。
2、法蘭尺寸:JB/T74~90(JB74~90)、GB9112~9131、HGJ44~76、SH3406、ANSI B16.5、JIS B2212~2214、NF E29-211、DIN2543。
3、結構長度:GB12221-89、ANSI B16.10、JIS B2002、NF E29-305、DIN3202。
4、檢驗主試驗:JB/T 9092、API 598。
七、性能規范:
稱通徑mm | DN15-DN300 | |||
材料代號 | C | P | R | |
主要零件 | 閥 體 | WCB | ZG1Cr18Ni9Ti | ZG1Cr18Ni |
球 體 | 2Cr13 | 1Cr18Ni9Ti | 1Cr18Ni12MoTi | |
閥 桿 | 2Cr13 | 1Cr18Ni9Ti | 1Cr18Ni12MoTi | |
密封圈 | 增強聚四氟乙烯 對位聚苯 | |||
填 料 | 聚四氟乙烯 柔性石墨 | |||
適用工況 | 適用 | 蒸汽、水 | 硝酸類 | 醋酸類 |
適用 | -28℃ - 300℃ | |||
執行器 | 型 號 | AW、DA/SR系列、GTE系列、TH系列等 | ||
氣源壓力 | 0.4-0.7MPa | |||
八、壓力試驗:
試驗壓力 | 公稱壓力(Mpa) | 壓力級(class) | JIS(Mpa) | |||||||
1.6 | 2.5 | 4.0 | 6.4 | 10.0 | 150 | 300 | 600 | 10K | 20K | |
強度試驗 | 2.4 | 3.8 | 6.0 | 9.6 | 15.0 | 3.1 | 7.8 | 15.3 | 2.4 | 3.8 |
密封試驗 | 1.8 | 2.8 | 4.4 | 7.0 | 11.0 | 2.2 | 5.6 | 11.2 | 1.5 | 2.8 |
氣密試驗 | 0.5~0.7 | |||||||||
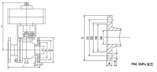
九、安裝尺寸表:
公稱 | 尺 寸(mm) | 執 行 器 型 號 | ||||||||||||||
1.6MPa | 2.5MPa | 4.0MPa | ||||||||||||||
L | D | D1 | b | Z-фD | L | D | D1 | b | Z-фD | L | D | D1 | b | Z-фD | 可選配DA/SR、QGSY、 | |
15 | 130 | 95 | 65 | 14 | 4-14 | 130 | 95 | 65 | 16 | 4-14 | 130 | 130 | 65 | 16 | 4-14 | |
20 | 130 | 105 | 75 | 14 | 4-14 | 130 | 105 | 75 | 16 | 4-14 | 150 | 150 | 75 | 16 | 4-14 | |
25 | 140 | 115 | 85 | 14 | 4-14 | 140 | 115 | 85 | 16 | 4-14 | 160 | 160 | 85 | 16 | 4-14 | |
32 | 165 | 135 | 100 | 16 | 4-18 | 165 | 135 | 100 | 18 | 4-18 | 180 | 180 | 100 | 18 | 4-18 | |
40 | 165 | 145 | 110 | 16 | 4-18 | 165 | 145 | 110 | 18 | 4-18 | 200 | 200 | 110 | 18 | 4-18 | |
50 | 203 | 160 | 125 | 16 | 4-18 | 203 | 160 | 125 | 20 | 4-18 | 230 | 230 | 125 | 20 | 4-18 | |
65 | 222 | 180 | 145 | 18 | 4-18 | 222 | 180 | 145 | 22 | 8-18 | 290 | 290 | 145 | 22 | 8-18 | |
80 | 241 | 195 | 160 | 20 | 8-18 | 241 | 195 | 160 | 22 | 8-18 | 310 | 310 | 160 | 22 | 8-18 | |
100 | 305 | 215 | 180 | 20 | 8-18 | 305 | 230 | 190 | 24 | 8-23 | 350 | 350 | 190 | 24 | 8-23 | |
125 | 356 | 245 | 210 | 22 | 8-18 | 356 | 270 | 220 | 28 | 8-25 | 400 | 270 | 220 | 28 | 8-25 | |
150 | 394 | 280 | 240 | 24 | 8-23 | 394 | 300 | 250 | 30 | 8-25 | 480 | 300 | 250 | 30 | 8-25 | |
200 | 457 | 335 | 295 | 28 | 12-23 | 457 | 360 | 310 | 34 | 12-25 | 600 | 375 | 320 | 38 | 12-30 | |

十、訂貨時請填寫《規格書》或注明以下內容:
1、產品型號;
2、公稱通徑 ;
3、公稱壓力;
4、閥體和閥內組件材料 ;
5、介質溫度;
6、雙作用或單作用(單作用請注明氣開式或氣閉式);
7、是否帶附件(標準附件:電磁閥、行程開關、空氣過濾減壓器等) ;
8、特殊要求。
十一、售后服務承諾:
1、我公司所售中偉球閥產品在十二個月以內出現質量問題的,負責免費維修。
2、質保期內如我公司產品出現任何質量問題,我公司負責免費維修或更換。
3、質保期內如用戶使用不當,造成產品損壞,我公司負責維修,收取損壞部件成本費。
4、質保期后產品出現質量問題,我公司負責維修,收取損壞部件成本費。
5、如用戶需我公司現場服務,對省內用戶我公司服務人員12小時內到達現場,省外用戶48小時內到達現場。

